Sign In | Join Free | My ecer.com.ru
China TOBO STEEL GROUP CHINA logo
TOBO STEEL GROUP CHINA
TOBO STEEL GROUP CHINA
Active Member

5 Years

Home > Stainless Steel Gate Valve >

ASME B16.10 Stainless Steel Gate Valve CF8M API Trim 12 Cl150 RF Flanged Gate Valve

TOBO STEEL GROUP CHINA
Contact Now

ASME B16.10 Stainless Steel Gate Valve CF8M API Trim 12 Cl150 RF Flanged Gate Valve

  • 1
  • 2

Brand Name : TOBO

Model Number : Gate Valve

Certification : CE/ISO

Place of Origin : China

MOQ : 1pc

Price : 1-100

Payment Terms : D/A, D/P, T/T, Western Union, MoneyGram

Supply Ability : 3000pcs/month

Delivery Time : 3-5 days

Packaging Details : Inner package:plastic bag sealed package Outer package:carton package or wooden case package The lettering, nameplate, certificate for cryogenic valves are available We can customize the package for globe valve;

Name : Flange Type Gate Valve

Material : Stainless Steel

Body : CF8M

End Connection : Flanged end, Screwed end, Socket weld

Applications : Air, Fuel gas, Feedwater, Steam

Face to Face : ASME B16.10

Temperature : High Temperature

Size : 2"

Contact Now

CF8 2'' Class 150 Flange End Stainless Steel Manual Gate Valve

What is Gate Valve?

A gate valve can be defined as a type of valve that used a gate or wedge type disk and the disk moves

perpendicular to flow to start or stop the fluid flow in piping.

A gate valve is the most common type of valve used in any process plant. It is a linear motion valve used

to start or stop fluid flow. In service, these valves are either in a fully open or fully closed position.

When the gate valve is fully open, the disk of a gate valve is completely removed from the flow. Therefore

virtually no resistance to flow. Due to this very little pressure drops when fluid passes through a gate valve.

To achieve proper sealing, when the valve is fully closed, 360° surface contact is required between disk and seats.

Gate valves should not be used for regulation or throttling of flow because accurate control is not possible.

The high velocity of the flow in the partially open valve may cause erosion of the disc and seating surfaces

and also creates vibration and noise.

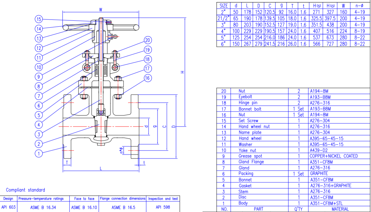
FS-GTF Gate Valve, API603, CF8M Body and API Trim 12 (stellite overlay),

ANSI Class 150 RF flanges, ASME B16.10 face to face, bolted bonnet, handwheel operated.

Size: 2″ – 6″ (DN50 – DN150)

Options: WCB Body and alternative trims.

Valve Type

CS / SS GATE VALVE - FL / BW

Design Std

BS EN ISO 10434 [BS 1414] / API 600 / API 602 / API 603/ASME B16.34

Size Range

40 DN to 400 DN [1 1/2” to 16”]

Body

[CS - ASTM A 216 Gr. WCB] [SS - ASTM A 351 Gr.CF8 / CF8M]

Trim

AISI 410 / 304 / 316

Seat / Wedge

13% Cr. Steel / AISI 410 / 304 / 316

Design Features

Bolted Bonnet, OS & YT, HW & Gear operated

Prorating

ASME - Class 150 / 300 / 600

Face to Face

ASME B 16.10 / EN 558 -1 / API 6D

End Connection

Flanged

ASME B16.5, CLASS 150 / 300 / 600

Butt weld

ASME B16.25

Testing Std.

BS EN 12266 - 1 [BS 6755-1] / API 598

Optional

Lantern Ring / indicator & Locking Device/ Renewable Seat / Stellite Hard facing / Jacketed Provision / RTJ Flanges / By Pass Arrangement / Higher Sizes / Special MOC: Austenitic and Duplex Stainless Steels

PN

DN

Size(mm)

L

D

D1

D2

B

N-φ

H

1.6MPa

25

160

115

85

65

14

4-14

275

32

180

135

100

78

16

4-18

280

40

200

145

110

85

16

4-18

330

50

230

160

125

100

16

4-18

350

65

290

180

145

120

18

4-18

370

80

310

195

160

135

20

8-18

400

100

350

215

180

155

20

8-18

415

125

400

245

210

185

22

8-18

460

150

480

280

240

210

24

8-23

510

200

550

335

295

265

26

12-23

710

250

650

405

355

320

30

12-25

786

300

750

460

410

375

30

12-25

925

Types of Gate Valves

There are three ways to classify the gate valve.

  1. Types of Disk

    1. Solid taper wedge

    2. Flexible wedge

    3. Split wedge or Parallel disks Valve

  2. Types of Body Bonnet Joint

    1. Screwed Bonnet

    2. Bolted-Bonnet

    3. Welded-Bonnet

    4. Pressure-Seal Bonnet

  3. Types of Stem movement

    1. Rising Stem or OS & Y Type (Outside Stem and Screw Type)

    2. Non-rising Stem type

Gate Valve Applications

  • Gate valves are used in almost all fluid services such as air, fuel gas, feedwater, steam, lube oil, hydrocarbon, and all most any services.

  • Some special gate valve is used in slurry and powder product also such as knife gate valve

Advantages of Gate Valve

  • Gate valve provides good

  • Pressure drop during operation is very less.

  • Most of the gate valve can be used as bi-directional

  • They are suitable for high pressure and temperature application and required less maintenance

Non-rising Stem Gate Valve or Insider Screw Valve

ASME B16.10 Stainless Steel Gate Valve CF8M API Trim 12 Cl150 RF Flanged Gate Valve

There is no upward movement of the stem in a non-rising stem type. The valve disk is threaded internally.

The disc travels along the stem like a nut when the stem is rotated. You can see the image. In this type of valve,

stem threads are exposed to the flow medium.

Therefore, this design is used where space is limited to allow linear stem movement, and the flow medium does

not cause erosion, corrosion, or wear and tear to stem material. This type of valve also known as an insider screw valve.

ASME B16.10 Stainless Steel Gate Valve CF8M API Trim 12 Cl150 RF Flanged Gate Valve


Product Tags:

ASME B16.10 Stainless Steel Gate Valve

      

Cl150 Stainless Steel Gate Valve

      

RF Flanged Gate Valve

      
China ASME B16.10 Stainless Steel Gate Valve CF8M API Trim 12 Cl150 RF Flanged Gate Valve wholesale

ASME B16.10 Stainless Steel Gate Valve CF8M API Trim 12 Cl150 RF Flanged Gate Valve Images

Inquiry Cart 0
Send your message to this supplier
 
*From:
*To: TOBO STEEL GROUP CHINA
*Subject:
*Message:
Characters Remaining: (0/3000)